top of page

APPENDIX B - Drawings

B1: Drawing of Hand Truck Assembly

B2: Drawing of Winch Sub Assembly

B3: Drawing of Pinwheel Sub Assembly

B4: Drawing of Control Housing Sub Assembly

B5: Drawing of Winch Motor Support Bracket

B6: Drawing of Winch Spool

B7: Drawing of Winch Spacer
B7: Drawing of Winch Spacer

B8: Drawing of Pinwheel
B8: Drawing of Pinwheel

B9: Drawing of Foot Wheel Axle

B10: Drawing of Axle

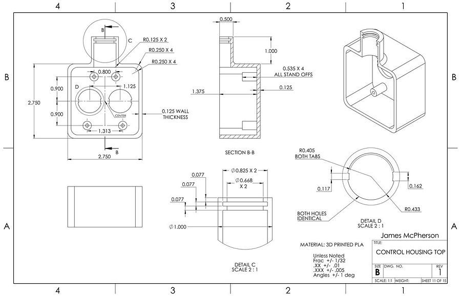
B11: Drawing of Control Housing Top

B12: Drawing of Control Housing Bottom

B13: Drawing of Control Housing Clamp

B14: Drawing of Battery Mount Lip

B15: Drawing of Battery Back Surface
bottom of page